SDH8322STR(士蘭微電子)憑借三檔可調輸出、高壓啟動、超低待機功耗等優勢,成為PN8054的理想替代方案。本文將深入分析其技術特性、典型應用及替換注意事項。
PN8054作為一款經典的PWM控制器,廣泛應用于小功率AC-DC電源(如12V/1A適配器)。然而,隨著能效標準升級(如CoC Tier 2、DoE VI),PN8054的局限性日益凸顯:

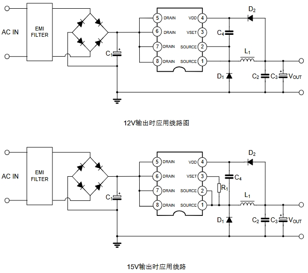
優勢:同一PCB兼容多電壓需求,減少物料管理復雜度。
| 保護類型 | SDH8322STR支持 | PN8054支持 |
|---|---|---|
| VDD欠壓保護 | ?? | ?? |
| 過溫保護(OTP) | ?? | ? |
| 前沿消隱 | ?? | ?? |
| 過流保護(OCP) | 逐周期限流 | 固定閾值 |
結論:SDH8322STR在安全性與可靠性上顯著優于PN8054。


AC輸入 → 整流橋 → EMI濾波 → SDH8322STR → 高頻變壓器 → 同步整流 → 12V輸出| 負載條件 | 效率(SDH8322STR) | 效率(PN8054) | 溫升(SDH8322STR) |
|---|---|---|---|
| 10%負載 | 78% | 72% | +15℃ |
| 50%負載 | 85% | 82% | +25℃ |
| 100%負載 | 88% | 85% | +35℃ |
結果:SDH8322STR在輕載和滿載下效率均提升3-5%,溫升更低。

SDH8322STR通過三檔可調電壓、超低待機功耗、全面保護功能,徹底解決了PN8054的痛點。實測數據顯示:
推薦替換場景:
? 對能效和可靠性要求嚴格的工業設備