LPKSF001
12V2A, 24V 2A, DIP7
12V2A, 24V 2A, DIP7
芯茂微12V2A,24V 2A隔離電源芯片
LPKSF001 概述
LPKSF001 是一款高度集成的隔離型適配器和充電器的自供電 PSR 控制芯片,外圍設計簡單。
LPKSF001 通過外置電阻,可調原邊峰值電流,再通過變壓器原副邊匝比來設置輸出恒流點;通過設定 FB 上偏電阻和下偏電阻來設置輸出恒壓點。
為了實現系統成本的簡化,LPKSF001 內置啟動電路,外圍不需要啟動電阻;采用自供電的方式來取消輔助繞組 VCC 供電二極管。
為了實現更好的輸出電壓調整率,LPKSF001內置輸出線纜補償功能,可以通過設定 FB 外置上
偏電阻的值來調節輸出線纜補償值。
LPKSF001 集成了多種的保護功能,包括 VCC鉗位/欠壓保護,FB 腳上電阻開路保護,輸出短路保護,輸出過壓保護以及過溫保護等保護功能。LPKSF001 采用 DIP7 封裝。
LPKSF001特點
集成 BJT,適用于 24W 以下隔離方案
內置啟動電路,無需啟動電阻
自供電技術取消輔助繞組 VCC 供電二極管
通過外置電阻,可調峰值電流
低的待機功耗
磚利的電流驅動,降低溫升
輸出線損補償技術
輸出短路保護功能
輸出過壓保護
VCC 欠壓保護功能
FB 腳上電阻開路保護
過溫保護。
LPKSF001應用
適配器、充電器
LED 驅動電源
線性電源和 RCC 開關電源升級換代
其它輔助電源。
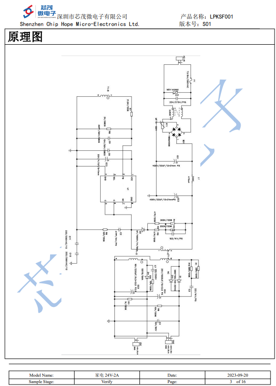
LPKSF001原理圖:
